These techno geezers seem to have some learnings related to the Seplos firmware.
Yes, there's a mass of technical assistance available from contributors to the DIY Solar Power Forum.
They tend to be more technically knowledgeable than us here on the RHH Forum, but they may not appreciate how their projects affect the grid.
The majority of them are based in the USA, and a sizeable proportion use solar-power and batteries in RVs (vehicles).
Bear those points in mind when reading what they post.
Save energy... recycle electrons!
So an update on the Solis inverter settings and rcbo circuit protection.
Have to say that the Solis European wide support has been solid.
So to recap, we had two concerns:
- the grid rcd/rcbo needing to be one specifically spec'ed for bi-directional use (mcbs are bi-directional). For background, see "isolating the system for a planned power cut"
- the recommendation from solis to use 100ma sensitivity RCD/RCBO, instead of 30ma ones.
This system is expected to provide continuous power to some critical loads, for which could be using any of the available sources (PV, battery, AC, generator), depending on configuration. Right now we are considering it will power those loads from grid power and if the grid fails, it will convert and supply battery dc into ac.
The rcbo is bidirectional.
Several inverter startup scenarios needed to be considered (and there is no PV at the moment):
1- boot from DC port and then connect to the grid. The inverter will form the wave for the AC signal. When the grid circuit is closed/connected it should switch to take the frequency signal. This will be a noticeable blip on your domestic appliances, depending on how many ms it takes.
2- the inverter is initially powered by the grid and then starts. In this case, the inverter will form its wave from the grid and just keep it.
3- there are other scenarios, given that this inverter will work as a UPS when connected to the battery but for simplicity we will not get into it
What I am experiencing is that in scenario 1, a minute or so after the grid connection is closed, the bi-directional 30ma rcbo trips. This has been raised with Solis and it may be that they will just insist that the circuit is 100ma, in which case this will have to be swapped.
I believe the Solis grid team will now be lopped in to provide further advice.
So it is still not possible to try the charge and discharge cycles to get the battery cells balanced. Hopefully the battery charge will outlast these tests...
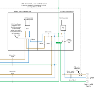
And before anyone asks, given that Solis was at some point considering whether an external ATS could help or not, it is not the time to share diagrams. More concerned whether there'll be space in the Solis for the extra ATS.. I thought the 18 way+SPD recent consumer unit would outlast this project!
I'd like readers here to employ a properly certified electrician.
This is not a DIY matter!
Posted by: @batpredIn this case, the inverter will form its wave from the grid and just keep it.
I'm finding it difficult to follow your descriptions.
There are two different classes of grid-tied inverter:
1: Those which synchronise to the 50Hz grid frequency.
2: Those which have their own internal 50Hz oscillator.
Both you and I have decided to use inverters which combine these options.
Our inverters have one port which synchronises to the grid, and will therefore cease supplying power during an outage.
And we have a second mains port which uses an internal oscillator. That can draw from the battery and remain 'live' during a power-cut.
I want to keep this simple enough for others to follow.
Save energy... recycle electrons!
Fair enough.
I am not aware how this Solis (2in @transparent post) works internally, but one way to think about it is if the internal oscillator continuously sets the frequency of all the AC that the inverter produces. The inverter is also able to decide if it needs to adjust its internal oscillator as it senses differences from the frequency of the grid port and most of this process is not noticeable. Some transitions of power settings are completed in 4ms and others take slightly more.
The simpler domestic inverters (1) just go off if the grid frequency stops (like when a black-out starts).
Unfortunately Solis abstained from commenting on bidirectional devices and any specific characteristics that would enable 30ma to be used.
The diagrams their helpdesk shared are for all markets and also never directly applicable, like the one they recently sent. Just sharing it below for anyone looking for more detail.
On the plus side, since this Solis inverter is a downsized version of the ones some DNOs use themselves, it has some less common advanced features. Once I get hooked with the folks that support the DNOs, I am hoping to be able to "sweat this asset" a little more!
That diagram is almost useless @batpred
The Solis inverter itself is 'off-page' to the left,
and they haven't even bothered to label the two mains connections to/from it.
Posted by: @batpredI am not aware how this Solis (2in @transparent post) works internally
The Solis inverter you have is not the class-2 I've identified above.
It's a combination of Class-1 and Class-2.
If you had PV panels connected, it could supply the consumer unit to the left as well as the one to the right
up to the point that the PV output matched the power required by the appliances.
At that point, it would import additional electricity from the grid to satisfy the power demand of the loads on the left consumer unit.
Posted by: @batpredThe inverter is also able to decide if it needs to adjust its internal oscillator as it senses differences from the frequency of the grid port
That type of circuit is called a phase-locked loop (PLL), but they need not have implemented the 'backup port' by that method.
It could just as easily be the case that the backup output is a straight-through path whilst the grid is live, and hence synchronised to it.
When the grid fails, they use solid-state switches to run the backup port from the battery-input, using an internal 50Hz oscillator input to the DC-AC converter.
Posted by: @batpredUnfortunately Solis abstained from commenting on [,,,] specific characteristics that would enable 30ma to be used.
... which implies that the Solis inverter has a fairly high leakage to earth by default.
It's possible that leakage is through 'protection devices' they've got on the mains input.
They are known to have a small amount of leakage even when operating below their rated threshold voltage.
Save energy... recycle electrons!
Re-read what I wrote:
Posted by: @transparentWhen the grid fails, they use solid-state switches to run the backup port from the battery-input, using an internal 50Hz oscillator input to the DC-AC converter.
It has an internal oscillator.
There are two ways of implementing that.
1: The output from the backup port is always at the frequency set by the internal oscillator
2: The internal oscillator is only used to set the frequency of the backup port during a grid outage.
You had proposed a third possibility:
3: a phase-locked loop which adjusts the frequency being used on the backup port.
The problem with 1 & 3 is that the inverter is 'doing work' to phase-shift the output from the backup port.
Not only does that use energy, thus reducing efficiency,
but I can foresee problems with intermittent operation of the backup port when the grid is made live following an outage.
It shouldn't matter to us as end-users.
I'm more concerned at the apparent losses due to earth leakage on your Solis.
Save energy... recycle electrons!
Thank you.
The way that framework splits between 1 and 2 is not clear, but from what I can tell, this hybrid solis is class 1 and 2.
It has several internal oscillators including at least 2 for electrics - PLL and the one handling DC inputs. They enable:
- simple configuration changes allow it to do passthrough from grid input to backup/critical output (normalised, so it can be set at 230 all the way to 240 for example). And simultaneously it can add any power from DC sources (pv or battery) and supply to backup port.
- if taking DC from any source, it can supply both grid and backup/critical. It would probably be providing AC to grid and normalised AC to backup.
- it has a smart AC port AC, that can work as a second backup port, supplying more power. Shame no cable was run for that..
Efficiency as per specs gets close to 97% (probably when handling AC to AC), but no inverter delivers that...
This type of small leakage is part of the design, the inverter’s internal EMC filters intentionally bleed a few mA to earth, I feel wholly unqualified to judge. At worst this consumes less than the external lighting, so a rounding error.
So the 30ma rcbo cannot be used (if direct PV is added, leakage will grow). Solis knows their stuff, the more I look the more I think it is tuned to what a renewable household may need. The inverter has special functions to monitor leakages additional to what it expects anyway - if anything strange happens, it will report and I am sure shutdown if needed. There´s a huge range of parameters to tune this type of thing and even more alarm types.
Posted by: @batpredIt has several internal oscillators including at least 2 for electrics - PLL and the one handling DC inputs.
I'm assuming that you're not from an electronics or systems engineering background.
Try drawing a diagram for yourself (pencil &paper) before writing text on the forum.
Your three bullet-points aren't illustrating the assertion you've just made about there being several internal oscillators.
From where did you get that information?
Save energy... recycle electrons!
As it happens, electronics was part of my uni curriculum. But I find myself in a somewhat similar place to someone that passed their driving test and then did not drive for a long while, so careful "driving" advised.... In my case, just getting together with a few mates that deepened the materials science "track" is certainly not enough. 🙂
Back to the point, the Solis inverter has filters that are designed to leak to earth. This being an inverter design choice (so that the electricity received from the grid is ready to be consumed by its circuits), the tripping will not go away. The 30ma RCBO will have to come out from the consumer unit.
The answers from Solis Support engineers to queries and problems is the source of my "insight" about the Solis oscillators.
I think there will be only ONE oscillator in the inverter which provides 50Hz when the grid is down.
You can't have multiple sources for the same reference frequency!
There may well be DC-DC converters which use high-frequency oscillation through a capacitor and a choke to change voltage levels up and down.
But we wouldn't call them 'oscillators'.
If you receive email messages from Solis tech-support staff stating that there are oscillators (plural), then I hope you'd
take a snapshot and post the images here.
Who says what, and in what context, is important.
I think we're agreed that the Solis design has 'leaky' suppression components.
I don't like that because it leaves you without any 30mA trip protection on the external supply cable.
But that's not going to adversely affect how the inverter operates.
Save energy... recycle electrons!
- 26 Forums
- 2,255 Topics
- 50.3 K Posts
- 303 Online
- 5,918 Members
Join Us!
Podcast Picks
Latest Posts
- 
                        RE: Daikin Altherma 3 / HomeAssistant I don’t have a Shelly EM on my heatpump, so only see th... By DCSH , 3 hours ago 
- 
                        RE: Help me keep the faith with my air source heat pump installation have you got an ebus adapter on yours? By AdamK , 3 hours ago 
- 
                        RE: When will fusion be producing energy? From the time I was a physics undergraduate it’s been 2... By Judith , 3 hours ago 
- 
                        RE: Is it mad to think there should be a minimum SCOP for UK heat pump installs? Sadly I think it is mad. If the BUS is not granted for ... By Judith , 4 hours ago 
- 
                          RE: Who has a V2G EV installation Perfect, @agentgeorge. I’m always up for some edificati... By Majordennisbloodnok , 4 hours ago 
- 
                        RE: My experience with 3 heat pump surveys: Heat Geek, British Gas & Octopus Yes but... The evidence is that many heat loss survey... By JamesPa , 5 hours ago 
- 
                          What Adam Chapman gets up to in his Spare Time. Ok, so this just appeared on YouTube (don’t blame me th... By Toodles , 5 hours ago 
- 
                          RE: Radiator Sizing Dilemma: Vertical vs Type 33 for Low-Temperature Heat Pump Systems That's my main concern too. On top of that, I ... By DREI , 7 hours ago 
- 
                        RE: Are We Sleepwalking Into Another Race to the Bottom? Also it embeds a complex system, almost taking the home... By JamesPa , 7 hours ago 
- 
                        RE: Grant 13kW Aerona3 - issues getting zones to temp Thanks, patience is something I’m trying to ma... By Crimson , 9 hours ago 
- 
                        RE: Solar Power Output – Let’s Compare Generation Figures 2025 - now a record year of Solar PV Generation. Octobe... By AllyFish , 12 hours ago 
- 
                          RE: Midea ASHP – how to set weather compensation @pash44pump - AI may have its uses (and I sort of allow... By cathodeRay , 13 hours ago 
- 
                        RE: Mitsubishi Ecodan R290 10kW performance Totally agree that any system is reliant on the ability... By Sheriff Fatman , 13 hours ago 
- 
                        British Gas Heat Pump Installation Complaint In 2024, my wife and I thought that we would try to do ... By BGNO , 15 hours ago 
- 
                          Erm... no we can't! The issue first raised by the OP ... By Transparent , 15 hours ago 
- 
                        RE: Testing new controls/monitoring for Midea Clone ASHP Thx, but Sven did the hardware development. My role (as... By Mosibi , 1 day ago 
- 
                        RE: PV Panels on roof in Conservation Area @majordennisbloodnok Fnaargh, I was thinking about try... By colinc , 1 day ago 
- 
                        RE: Electricity price predictions @jamespa Ah, you mean MPs that have not pro... By Batpred , 1 day ago 
- 
                        RE: Buying large amp bidirectional RCD and RCBO Exactly @transparent , this type of RCBOs are not easil... By Batpred , 1 day ago 







 
                                 
                                 
                                 
                                