Thanks JamesPa,
Sorry for my lack of understanding on terms/2 port v 4 port etc.
Just unsure then why the installer insists on this LLH if the manual doesn't seem to state one is required. It just seems to state a volumiser OR Low loss header/volumiser combined. The LLH installed is certainly not much of a volumiser so they haven’t got that right.
And the manual gives the 30L external as an option when theres insufficient system volumes which (So I’d presume they should have thought of a volumiser from the get go with the Eskimos having low water volume).
I've emailed Grant themselves to try and get them to confirm warranty requirements (4 / 2 port - and flow/return requirements
If it doesn’t need to be on both flow and return and doesn't need to be a 4 port - I’ll strongly suggest they stick to either flow or return incase this mixing just occurs again.
Posted by: @crimson. It just seems to state a volumiser OR Low loss header/volumiser combined.
Which is logical, albeit 30l is a bit small.
The manual it seems is clear which trumps anything the installer says and TBH anything the grant helpline says unless they also confirm that the manual is wrong!
Installer is just scared of a directly connected system and is telling you something which is not true to you to get his own way. Sadly not unknown. To be fair it may not be conscious lying it might be unconscious, ie he may not know and doesn't choose to find out.
4kW peak of solar PV since 2011; EV and a 1930s house which has been partially renovated to improve its efficiency. 7kW Vaillant heat pump.
Posted by: @jamespaPosted by: @crimson. It just seems to state a volumiser OR Low loss header/volumiser combined.
Which is logical, albeit 30l is a bit small.
The manual it seems is clear which trumps anything the installer says and TBH anything the grant helpline says unless they also confirm that the manual is wrong!
Installer is just scared of a directly connected system and is telling you something which is not true to you to get his own way. Sadly not unknown. To be fair it may not be conscious lying it might be unconscious, ie he may not know and doesn't choose to find out.
Thanks again JamesPa.
My memory is baffling at the moment but broadly I think the plumbers stated approx:
Front UFH zone = 75 litres
upstairs zone = 100-120 litres (a quick rough check on the total Stelrad K2s with an average of the sizes upstairs confirms approx this
downstairs = 12-15 litres max. (I do recall them saying 6 when initially installed as a plumber used 3 2 litre bottles to drain them before they did the upsize attempt).
Would you say a 80-100 volumiser to aid with keeping the volume when only downstairs is really needed should help?
They seem to just be going with “get whatver fits, rather than applying logic.
I mean maybe they’re using wrong terminology when speaking to non plumbers and are going to just put a 2 port in (doubt it). But I’m going to question this to death now as don't see point in replacing a problem item, with a physically bigger problem item…
On the note of the frost valves…
My understanding of this is dire so please bear with me. The installer just said they don’t use them and ideally haven't for 8 years.
The concept of the valve is to drain the system when going away for a period in cold weather to prevent freezing? I presume this is on proviso a home owner wishes to turn off heating fully to save money on heating an empty house?
In my head now I’m weighing up, would I ever even do that? I’d most likely just run it but to a lower temp (also implications of a cold house with damp anyway in my head).
Plus - performance implications of glycol. I presume this increases the viscosity of the water in the system?
If I’m hearing (and the plumber yesterday when looking at the faulty Drayton commented on this…) the sound of rushing water through the Eskimos. Is it likely that such small water content high efficient rads could use - rather than gycol’d water - it would be better to not have that and opt for the freeze valve? Which its onetime use isn’t a bother as likely would never use it?
Apologies if this is like course why didn’t you know that/what are you on about. My frays into this world are brief and intermittent around intense wok life and family.
I probably got that wrong, looks like the valve is for when a power outage happens?
Posted by: @crimsonFront UFH zone = 75 litres
upstairs zone = 100-120 litres (a quick rough check on the total Stelrad K2s with an average of the sizes upstairs confirms approx this
downstairs = 12-15 litres max. (I do recall them saying 6 when initially installed as a plumber used 3 2 litre bottles to drain them before they did the upsize attempt).
Would you say a 80-100 volumiser to aid with keeping the volume when only downstairs is really needed should help?
Yes. I expect Grant specify a 'minimum system volume' which is the minimum permitted engaged (ie open) volume including the volumiser. Most manufacturers, so far as I can tell, base this on the needs for defrost only, and its often 30-50l. This just ensures that there is always enough hot water available to thaw the fins when they frost up. The manufacturers know how much energy is needed to clear the fins ao can specify a min system volume based on this. Personally I would go higher and never lower, you dont want the heat pump failing to defrost!
There is another reason for system volume however, which is to prolong the cycles when the heat pump is cycling (ie make the on periods longer, the on/off ratio wont change). This is sometimes quoted as about 6-10l/kW capacity. You can justify this by a rough calculation:
The system volume, including the volumiser, 'absorbs' the excess heat pump output when the 'load' is less than the minimum output of the heat pump. It does so by allowing the FT to rise above the target value.
The worst case is that the load is essentially zero. Heat pump min output is at best one third of the max, sometimes more. So for each kW capacity the system volume needs to absorb 0.33kW in worst case conditions. Suppose we want the 'on' time to be no less than 10mins. So in that time the excess capacity is 0.33kW*60*10 = 200kJ Further suppose we allow FT to rise to max 5C above target (typical value) before shutting down the compressor. To heat a litre of water through 5C requires 5*4200= 21000J. So we need 10l (round number) per kW heat pump capacity to 'absorb' the excess. This is very rough but in the right order. In your case with 13kW capacity this calculation says you need 120l min. So with 12l downstairs that means a 100l volumizer would be good, 80l would make a very substantial difference. However if you can organise things so the upstairs is always in circuit you could probably get away with no volumizer and an 80l one on top would be great! This part of the calculation is fairly rough and ready, the heat pump will generally work around the volume limitations of the system somehow, except for defrost which is (presumably) why manufacturers base their minima on defrost.
Posted by: @crimsonThey seem to just be going with “get whatver fits, rather than applying logic.
situation normal then, but see above.
Posted by: @crimsonI mean maybe they’re using wrong terminology when speaking to non plumbers and are going to just put a 2 port in (doubt it). But I’m going to question this to death now as don't see point in replacing a problem item, with a physically bigger problem item…
Absolutely not. I would ask installer to show you where in the manual it specifies that an LLH/buffer is required and ask him to be precise about what he intends to put in.
For completeness there are actually 2, 3 and 4 port buffers as well as 2 port volumisers, although 2 and 3 port buffers are rare in the UK. The key distinction is that a volumiser, with 2 ports, is in either flow or return, a buffer connects flow to return, ie it is in both.
Posted by: @crimsonI probably got that wrong, looks like the valve is for when a power outage happens?
Yes exactly that. Just like a (properly configured) boiler based system the heat pump will look after itself even if you have turned 'heating' off, by doing things like running the circulation pump daily to stop it seizing and turning on heating at a low level if it senses that it might freeze. However obviously if the power fails (or you wilfully turn it off) for a long time then it cant do this. In this circumstance the a/f valves detect that the exterior pipework is close to freezing (typically 3 or 4 C) and open. This releases water and thus the the pressure in the system and depending on the exact configuration the system may drain entirely or only partially. So long as they are below or at the bottom of the ASHP ODU this will protect the ODU. The disadvantage of AFVs vs Glycol is that the system will may need to be manually refilled before it will restart, whereas with glycol it should restart of its own accord when the power returns. If you are away when it happens with an afv this means it wont be restarted until you return. In the limit case house may freeze in the interim. Some people combine AFVs with normally closed 2 way valves, so that the 2 way valve isolates the heat pump and afvs from the rest of the system if the power fails, thus limiting the amount of water lost and possibly allowing automatic restart. I have not heard that anyone has actually tested this though.
The question to ask is how long do you expect a power outage to last, whats the probability that the ODU will actually freeze up in this time, and whats the probability you are away when it happens AND it remains cold for several days so the house is at risk of freezing. Outdoor oil boilers, which still depend on leccy for their pumps, dont typically have a/f valves or glycol yet how many reports do you hear of them being damaged?
Of course opinions differ from do nothing to use a/f valves to use glycol. Perhaps if I were in an area where it regularly gets down to -10 and power regularly fails for 48hrs I would think differently (but in this case I would have a backup heating source!). Neither applies so Im content with AFVs, as are it seems many in the UK. That said many want the reassurance of glycol.
As a further complication (and penalty) some say you shouldn't do glycol unless you also separate primary from secondary with a heat exchanger, to avoid the (negligible) risk of glycol leaking into the DHW cylinder. Best on balance to KISS, use AFVs, no buffer, llh, PHE or glycol!
In your particular case I think its a no brainer. You appear to have a heat transport problem. Glycol inhibits heat transport because it has a lower heat capacity and is more viscous, probably (depending on concentration and pipe resistance etc) amounting to 10-20% hit. Ditch the glycol and fit afvs instead to give the system a fighting chance!
Hope that helps!
4kW peak of solar PV since 2011; EV and a 1930s house which has been partially renovated to improve its efficiency. 7kW Vaillant heat pump.
@crimson if its the Aerona 3, check that you have the latest software, GRANT should be able to help you with this, i know they had a few updates with the Aerona 3.
Ive pulled a few LLH separations out in my time and Grant installed units have been a few of them, then ditching all the thitd party controls and running under weather compensation with the heat pump controller itself.
What size is the heat main pipes going to the heating system?
Got more pics, controls etc.
Thanks both. I’ll push gor thr glycol, 5% is 5% i cant lose.
I think further back in the thread I have pictures of the pump room and pictures from when the renovations were happening. It was commented that the pipes didn’t look big. Id reattach but would need to hunt through site photos. Theres also photos of the plant room pre lagging so eaiser to see.
will ask about software updates
So Grant got back to me, and as suspected there’s no requirement for a LLH, but there is for a volumiser. They even said “volume is King”. I suspect the installer misread the statement of OR a LLH/volumiser combo as LLH.
I’ve gone to the installers asking:
Replace the LLH with 80-100L volumiser on either the return or flow (so 2 port not 4)
Have pointed out Grant themselves don’t state a need for a LLH…but do for the volumiser.
Have asked for no glycol and no antifreeze vales. Spoke with heat specialist and he uses neither. Agrees glycol has a performance hit (plus has experience of leaks with it causing a nightmare) and has experience of anti freeze valves going off when not needed.
Have insisted on Ferox F1 inhibitor, per Eskimo’s recommendation.
Have said don’t reset the Grant to factory settings for the 1 week testing. That would just run 45C constant with no WC. Just leave as is with max flow dropped from 42-40. Thats the system design and will be proof of the pudding- if it gets warmer with panels asking for 24C, and the room currently at 20C hitting 21C or higher. The issue is resolved.
That way any room temp increase is from replacing the stupid non-required LLH with the volumiser.
A painful journey this has been. I think the builders are verging on realisation that the emitter uplift may have been excessive and just the volumiser may have been all thats needed. Im hoping it is and perhaps I can run at a lower flow temp than 40C and try and gain back some electricity bill saves…
Posted by: @crimsonHave said don’t reset the Grant to factory settings for the 1 week testing.
He may need to tweak a couple of settings. There is definitely on the r290 a setting for no system separation/buffer/llh. Don't know what it does (I think just enable a couple of sensors and expose some otherwise hidden menu options), but it will presumably need to be set correctly and any new options that appear on the menu also.
Sounds like you are doing an excellent job of collecting the evidence to insist the installer does it right.
4kW peak of solar PV since 2011; EV and a 1930s house which has been partially renovated to improve its efficiency. 7kW Vaillant heat pump.
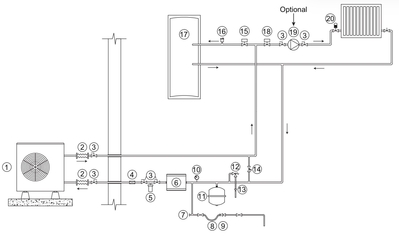
I’m looking at the diagram in the manual and nowhere is there a LLH, item 6 is a volumiser, on the return.
No idea why they’re insisting on the LLH. Should put in a volumiser (80-100 litres) on the return in place of the LLH. Run the flow direct from ASHP to the heating system and DWH, obviously to the valves etc.
And remove the internal pump room pump thats on that, as with no LLH don’t see why would need it.
Very frustrated with these guys.
- 26 Forums
- 2,271 Topics
- 50.8 K Posts
- 182 Online
- 5,933 Members
Join Us!
Podcast Picks
Latest Posts
-
RE: When to use Octopus Intelligent Go tariff with my heat pump and battery
@toodles I didn't realize I was on a free trial, defini...
By TreeWizard , 4 hours ago
-
RE: Help me keep the faith with my air source heat pump installation
They’ve had to cancel the radiator balancing at the las...
By AdamK , 4 hours ago
-
RE: My Octopus Cosy 6 Heat Pump Journey: From Quote to Completion
@editor thanks for highlighting my name. Yes I did get ...
By Chansug , 4 hours ago
-
RE: Aira Heat Pump: Stylish Scandinavian Heating
I don’t if Aira did stop their 15 year guarantee becaus...
By Mars , 5 hours ago
-
Finding a Thermostatic Shower Valve That Works with Heat Pump Systems
I currently have a concealed thermostatic shower valve,...
By ChrisJD , 7 hours ago
-
RE: Is Your House Warmer Upstairs Than Downstairs?
@benson We have 10 radiators fitted with TRV’s only two...
By Toodles , 10 hours ago
-
RE: balancing radiators with a mixture of different size pipework and a few undersize rads.
@editor Thanks for your input Mars. No I think the comm...
By baxtDave , 11 hours ago
-
RE: Rate the quality of your heat pump design and installation
We’re looking to expand our list of recommended list of...
By Mars , 11 hours ago
-
RE: Oil Boiler & Heat Pump Hybrid System
Thank you for those that replied, am disappointed that ...
By paultheheating , 15 hours ago
-
RE: RDSAP10 effect on existing heat pump EPC rating?
@transparent Along with the right workers, they can’t b...
By Toodles , 16 hours ago
-
RE: Midea ASHP – how to set weather compensation
I have just looked at my heat pump 'long interval' (27 ...
By cathodeRay , 16 hours ago
-
RE: UFH downstairs and radiators upstairs balancing question
@toodles sorry, my bad. Its a 6 port LLH. ...
By davidnolan22 , 17 hours ago
-
RE: My DIY Heat Pump installation
@grantmethestrength That is kind Attach...
By Polar bear , 18 hours ago
-
RE: Mitsubishi Ecodan 11kw Defrosting Issue.
Hello. The Ecodan pump worked well last season, but thi...
By meehow , 1 day ago
-
RE: Jokes and fun posts about heat pumps and renewables
Did @mark-hall really just say that?! 🤯 He drop...
By Mars , 1 day ago
-
RE: Grant 13kW Aerona3 - issues getting zones to temp
Oh completely, he even said without the hydrau...
By Crimson , 1 day ago
-
-
RE: Electricity price predictions
So he must have a good team helping him in this.. ...
By Batpred , 2 days ago
-
RE: Who has a V2G EV installation
Would that be a Chint RCD perhaps? Have a look at thi...
By Transparent , 2 days ago







